Dia.1100mm-4250mm-1797 series

|
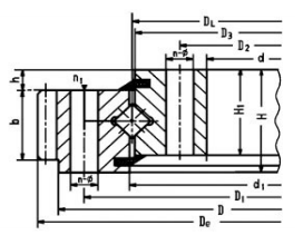
Designations (External gear) |
Boundary |
Bolt hole diameter |
Structure dimensions |
Gear parameters |
Basic load |
Mass |
||||||||||||||||
|
D |
d |
H |
D1 |
D2 |
n1 |
n2 |
褎1 |
褎2 |
D3 |
d1 |
H1 |
h |
n3 |
褎3 |
m |
Da |
Z |
b |
x |
Coa |
kg |
|
|
mm |
mm |
mm |
mm |
mm |
mm |
mm |
mm |
mm |
mm |
mm |
mm |
mm |
mm |
104N |
||||||||
|
1797/1100G |
1415 |
1100 |
115 |
1345 |
1160 |
24 |
18 |
21 |
21 |
1253 |
1255 |
100 |
15 |
4 |
M12X1.25 |
6 |
1452 |
240 |
84 |
0 |
270 |
497 |
|
1798/1100G2 |
1400 |
1100 |
140 |
1352 |
1160 |
26 |
26 |
24 |
26 |
1260 |
1264 |
126 |
21 |
4 |
M10X1 |
14 |
1477.3 |
104 |
90 |
-0.24 |
430 |
642 |
|
1797/1250G2 |
1548 |
1250 |
148 |
1512 |
1297 |
16 |
16 |
25 |
25 |
1403 |
1407 |
122 |
20 |
4 |
M10X1 |
12 |
1608 |
132 |
100 |
-0.24 |
539 |
661 |
|
1797/1278G2 |
1595 |
1278 |
120 |
1535 |
1335 |
36 |
36 |
26 |
26 |
1428 |
1432 |
105 |
15 |
4 |
M10X1 |
12 |
1655.5 |
134 |
90 |
+1.15 |
485 |
597 |
|
1797/1300G2 |
1705 |
1300 |
165 |
1644 |
1360 |
24 |
24 |
32 |
32 |
1504 |
1508 |
134 |
31 |
4 |
M10X1 |
14 |
1783.6 |
126 |
85 |
-0.3 |
578 |
1023 |
|
1792/1400G |
1715 |
1400 |
110 |
1660 |
1460 |
42 |
42 |
26 |
26 |
1558 |
1562 |
95 |
17 |
4 |
M12X1.25 |
12 |
1780.8 |
147 |
78 |
-0.3 |
597 |
579 |
|
1797/1460G2 |
1800 |
1460 |
125 |
1735 |
1525 |
32 |
36 |
26 |
26 |
1633 |
1637 |
110 |
10 |
4 |
M10X1 |
14 |
1881.6 |
133 |
95 |
-0.3 |
627 |
828 |
|
1797/2100G2 |
2600 |
2100 |
180 |
2540 |
2200 |
48 |
48 |
32 |
32 |
2368 |
2372 |
158 |
22 |
8 |
M10X1 |
18 |
2700 |
148 |
130 |
0 |
1100 |
2395 |
|
1797/2460G2K |
3108 |
2460 |
220 |
2930 |
2560 |
30 |
30 |
33 |
34 |
2745 |
2747 |
200 |
20 |
15 |
ZG1/4in |
14 |
3108 |
220 |
200 |
0 |
1386 |
4091 |
|
1797/2460G2K1 |
3108 |
2460 |
220 |
2930 |
2560 |
30 |
30 |
33 |
34 |
2745 |
2747 |
200 |
20 |
30 |
ZG1/4in |
14 |
3108 |
220 |
200 |
0 |
1386 |
4091 |
|
1797/2500G2 |
-- |
2500 |
210 |
2990 |
2630 |
36 |
36 |
37 |
37 |
2818 |
2822 |
200 |
10 |
12 |
M14X1.5 |
25 |
3250 |
128 |
200 |
0 |
1996 |
4597 |
|
1797/2500K |
2920 |
2500 |
260 |
3060 |
2622 |
36 |
36 |
40 |
40 |
2949 |
2916 |
240 |
60 |
36 |
ZG1/4in |
18 |
3258 |
179 |
190 |
0 |
1996 |
5407 |
|
1797/2500G2K1 |
2920 |
2500 |
260 |
3060 |
2622 |
36 |
36 |
40 |
40 |
2949 |
2916 |
240 |
60 |
36 |
ZG1/4in |
18 |
3258 |
179 |
190 |
0 |
1996 |
5407 |
|
1797/2600G |
-- |
2600 |
200 |
3050 |
2700 |
60 |
60 |
35 |
35 |
2868 |
2872 |
180 |
20 |
6 |
M12X1.25 |
20 |
3232.8 |
160 |
180 |
-0.18 |
2030 |
3936 |
|
1797/2600G2 |
-- |
2600 |
200 |
3050 |
2700 |
60 |
60 |
35 |
35 |
2868 |
2872 |
180 |
20 |
18 |
ZG1/4in |
20 |
3232.8 |
160 |
180 |
-0.18 |
2030 |
3936 |
|
1797/2600G2K |
-- |
2600 |
200 |
3050 |
2700 |
60 |
60 |
35 |
35 |
2868 |
2872 |
180 |
20 |
4 |
14 |
20 |
3232.8 |
160 |
180 |
-0.18 |
2030 |
3936 |
|
1797/2600G2K1 |
-- |
2600 |
200 |
3050 |
2700 |
60 |
60 |
35 |
35 |
2868 |
2872 |
180 |
20 |
8 |
M10X1 |
20 |
3232.8 |
160 |
180 |
-0.18 |
2320 |
3558 |
|
1797/2635G |
3332 |
2635 |
270 |
3240 |
2755 |
36 |
36 |
42 |
42 |
2998 |
3002 |
240 |
45 |
6 |
M12X1.25 |
20 |
3440 |
170 |
200 |
0 |
2950 |
5973 |
|
1797/2635G2 |
3332 |
2635 |
270 |
3240 |
2755 |
36 |
36 |
42 |
42 |
2998 |
3002 |
225 |
30 |
12 |
ZG1/4in |
20 |
3440 |
170 |
200 |
0 |
2950 |
5973 |
|
1797/3230GY |
3970 |
3230 |
240 |
3820 |
3380 |
52 |
36 |
37 |
37 |
3578 |
3582 |
220 |
20 |
4 |
M12X1.25 |
25 |
4100 |
162 |
200 |
0 |
3520 |
7612 |
|
1797/3230G2 |
3970 |
3230 |
240 |
3820 |
3350 |
52 |
54 |
37 |
37 |
3578 |
3582 |
220 |
20 |
9 |
M12X1.25 |
25 |
4100 |
162 |
200 |
0 |
3520 |
7613 |
|
1797/3230G2K |
3970 |
3230 |
240 |
3820 |
3350 |
52 |
54 |
37 |
37 |
3578 |
3582 |
220 |
20 |
8 |
14 |
25 |
4100 |
162 |
200 |
0 |
3520 |
7613 |
|
1797/3230G2K2 |
3970 |
3230 |
240 |
3820 |
3350 |
52 |
54 |
37 |
37 |
3578 |
3582 |
220 |
20 |
18 |
M12X1.25 |
22 |
4092 |
184 |
200 |
0 |
3520 |
7804 |
|
1797/3230G2K3 |
3940 |
3230 |
240 |
3820 |
3350 |
52 |
54 |
37 |
37 |
3578 |
3582 |
220 |
20 |
9 |
M12X1.25 |
20 |
4080 |
202 |
200 |
0 |
3593 |
7302 |
|
1797/3230G2Y |
3970 |
3230 |
240 |
3820 |
3380 |
52 |
36 |
37 |
37 |
3578 |
3582 |
220 |
20 |
4 |
M12X1.25 |
25 |
4100 |
162 |
200 |
0 |
3593 |
7613 |
|
1797/3230G2Y2 |
3970 |
3230 |
240 |
3820 |
3380 |
52 |
36 |
37 |
37 |
3578 |
3582 |
220 |
20 |
4 |
M12X1.25 |
25 |
4100 |
162 |
200 |
0 |
3593 |
7613 |
|
1797/3230G2Y3 |
-- |
3230 |
240 |
3820 |
3380 |
52 |
36 |
37 |
37 |
3578 |
3582 |
220 |
20 |
4 |
M14X1.5 |
25 |
4100 |
162 |
220 |
0 |
3520 |
7686 |
|
1797/3230GK4 |
3970 |
3230 |
240 |
3820 |
3380 |
52 |
68 |
37 |
37 |
3578 |
3582 |
220 |
20 |
18 |
M14X1.5 |
25 |
4100 |
162 |
200 |
0 |
3520 |
7613 |
|
1797/3230GK5 |
3970 |
3230 |
240 |
3820 |
3350 |
52 |
54 |
37 |
37 |
3578 |
3582 |
220 |
20 |
4 |
M12X1.25 |
25 |
4100 |
162 |
200 |
0 |
3520 |
7613 |
|
1797/3230G2Y3K |
-- |
3230 |
240 |
3820 |
3380 |
52 |
36 |
37 |
37 |
3578 |
3582 |
220 |
20 |
4 |
M12X1.25 |
25 |
4100 |
162 |
220 |
0 |
3520 |
7686 |
|
1797/3760G |
4220 |
3760 |
240 |
4160 |
3840 |
48 |
48 |
32 |
32 |
3996 |
4004 |
210 |
55 |
4 |
M14X1.5 |
14 |
4326 |
307 |
135 |
0 |
3210 |
4396 |
|
1797/4250G |
4940 |
4250 |
250 |
4840 |
4350 |
72 |
72 |
48 |
48 |
4598 |
4602 |
225 |
25 |
9 |
M16X1.5 |
30 |
5082 |
168 |
200 |
-0.3 |
4520 |
8954 |
DownLoad