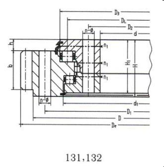
Dia.500mm-800mm-131 & 132 series

| No. | Configuration | Mounting Size | sturctural | Gear Date | Ext Gear | Weight/kg | |||||||||||||
| size | |||||||||||||||||||
| Ext Toothless | D | d | H | D1 | D2 | n | 蠁 | M | n1 | H1 | h | b | x | m | De | Z | |||
| 0 | 1,2,3 | ||||||||||||||||||
| 蠁 | 蠁 | T | |||||||||||||||||
| 1 | 131.25.500 | 634 | 366 | 148 | 598 | 402 | 24 | 18 | M16 | 32 | 4 | 138 | 32 | 80 | 0.5 | 5 | 664 | 130 | 224 |
| 132.25.500 | 6 | 664.8 | 108 | ||||||||||||||||
| 2 | 131.25.560 | 694 | 426 | 148 | 658 | 462 | 24 | 18 | M16 | 32 | 4 | 138 | 32 | 80 | 0.5 | 5 | 724 | 142 | 240 |
| 132.25.560 | 6 | 724.8 | 118 | ||||||||||||||||
| 3 | 131.25.630 | 764 | 496 | 148 | 728 | 532 | 28 | 18 | M16 | 32 | 4 | 138 | 32 | 80 | 0.5 | 6 | 808.8 | 132 | 270 |
| 132.25.630 | 8 | 806.4 | 98 | ||||||||||||||||
| 4 | 131.25.710 | 844 | 576 | 148 | 808 | 612 | 28 | 18 | M16 | 32 | 4 | 138 | 32 | 80 | 0.5 | 6 | 886.8 | 145 | 300 |
| 132.25.710 | 8 | 886.4 | 108 | ||||||||||||||||
| 5 | 131.32.800 | 964 | 636 | 182 | 920 | 680 | 36 | 22 | M20 | 40 | 4 | 172 | 40 | 120 | 0.5 | 8 | 1006.4 | 123 | 500 |
| 132.32.800 | 10 | 1008 | 98 | ||||||||||||||||
DownLoad