Luoyang Evon Engineering Co.,Ltd..
Index
|
Client Zone
About Us
Products
Application
Services
E-catalogue
Equipment
Exhibit
Online
Contact Us
Download
Single-row Ball
Ungear
External gear
Internal gear
Crossed Roller
Ungear
External gear
Internal gear
Double-row Ball
Ungear
External gear
Internal gear
Three-row Roller
Ungear
External gear
Internal gear
Trailer turntable
Worm drives
Mill roller mat'l
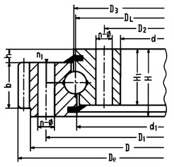
Dia.1497mm-2139mm-011 & 012 series
DownLoad